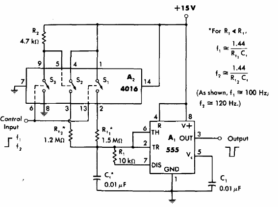
La frecuencia de este circuito puede ser programada por una tensión de control. El circuito de control es CMOS y con los valores indicados puede ser obtener frecuencias alrededor de 120 Hz. El circuito es de un manual de timers de 1977 pero se puede usar con microcontroladores actuales.

Accesible Programable



