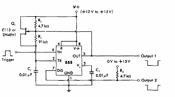
Este circuito fue encontrado en un cookbook de timers de 1977. El circuito puede generar señales con hasta 99% de ciclo activo. El FET puede ser el BF245 o MPF102 y la frecuencia básica dada por R1, R2 y C1.

Astable Invertido 555
Este circuito fue encontrado en un cookbook de timers de 1977. El circuito puede generar señales con hasta 99% de ciclo activo. El FET puede ser el BF245 o MPF102 y la frecuencia básica dada por R1, R2 y C1.
