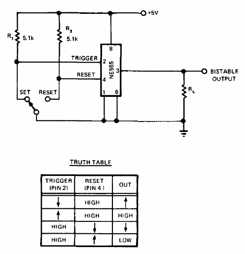
En la figura se muestra cómo implementar un biestable o flip-flop usando un circuito integrado 555. El circuito puede proporcionar una corriente de salida máxima de 500 mA. Encontramos esta configuración en una publicación de los años 70. El circuito se puede usar como shield para microcontroladores.

Biestable con el 555



