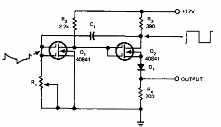
Este circuito es de un antiguo manual de MOSFET de la RCA de los años 70. El circuito puede ser implementado con cualquier MOSFET de doble compuesta. La frecuencia depende de C1 y del ajuste de R1. Las formas de onda de las señales generadas están en el diagrama.

Astable con MOSFET



