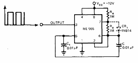
La finalidad de este astable modificado es hacer que los pulsos iniciales tengan la misma duración de los pulsos siguientes en la operación astable, lo que no ocurre con la configuración común. El circuito es de una documentación de 1978. Con 5 V de alimentación el circuito puede ser utilizado en aplicaciones microcontroladas.

Control Lógico 555



