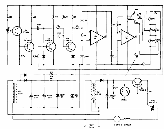
Este circuito fue encontrado en una documentación sobre electrónica de potencia de 1974. El Triac puede ser de tipo equivalente más moderno, según la carga controlada. Los transistores pueden ser los BC548 para los tipos NPN de baja potencia y BD135 para Q4. Los diodos pueden ser los 1N4002 o 1N4004.

Control de Motor con Triac



