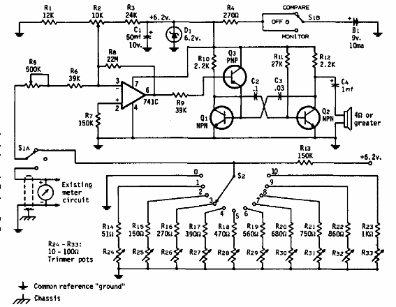
Este circuito produce sonidos que dependen de la tensión medida y que pueden compararse con un oscilador local de referencia. Se trata de un instrumento que puede ser utilizado por discapacitados visuales que trabajan con electrónica. El circuito es de una publicación para radioaficionados ciegos de 1973.

Voltímetro audible



