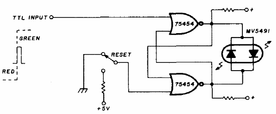
Los resistores de este circuito de una publicación americana de los años 70 son de 220 ohmios. El circuito captura un pulso de entrada y se bloquea, registrando su presencia. El circuito es ideal para detectar pulsos de corta duración.

Prueba Lógica TTL con traba



