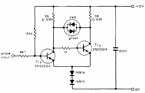
El circuito presentado utiliza dos transistores comunes y es alimentado por el propio circuito que se está probando. El circuito es para la lógica TTL, ya que su alimentación es de 5 V.

Punta de prueba Lógica
El circuito presentado utiliza dos transistores comunes y es alimentado por el propio circuito que se está probando. El circuito es para la lógica TTL, ya que su alimentación es de 5 V.
