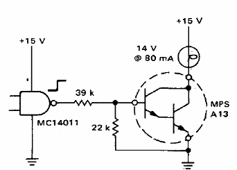
Este circuito es de un manual CMOS de Motorola de 1976. Puede ser implementado con Darlingtons modernos como los de la serie TIP de Texas. La corriente de carga depende sólo de Darlington utilizado.

Driver CMOS
Este circuito es de un manual CMOS de Motorola de 1976. Puede ser implementado con Darlingtons modernos como los de la serie TIP de Texas. La corriente de carga depende sólo de Darlington utilizado.
