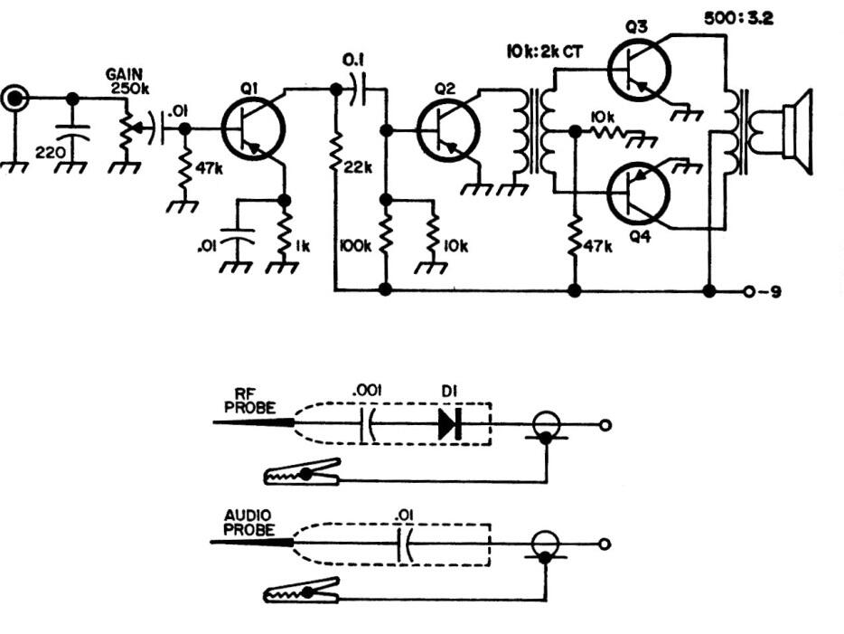
Este seguidor de señales es de una documentación de los años 70. Así, él utiliza la configuración tradicional en la época de un amplificador con etapas clase B y salida push pull con pequeños transformadores, como era usada en radios transistorizadas. Debajo del diagrama tenemos las puntas de audio y RF.




