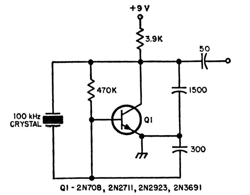
De este simple circuito de calibración consiste en un oscilador a cristal que genera una señal precisa de 100 kHz. El transistor puede ser cualquiera de uso general como el BC548, 2N2222 u otros. El circuito es de una documentación antigua.
De este simple circuito de calibración consiste en un oscilador a cristal que genera una señal precisa de 100 kHz. El transistor puede ser cualquiera de uso general como el BC548, 2N2222 u otros. El circuito es de una documentación antigua.