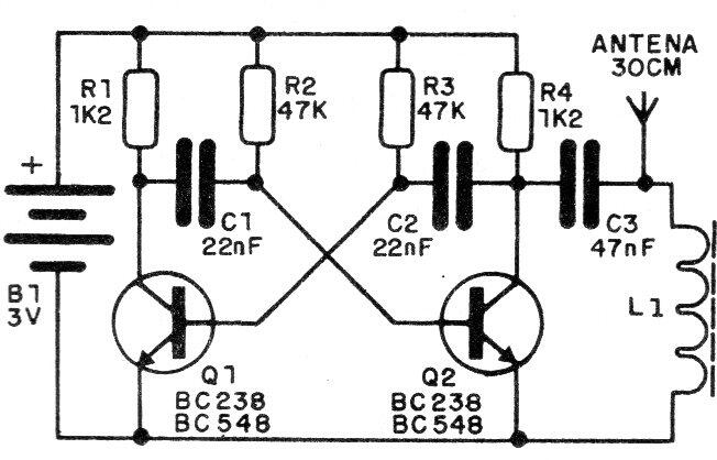
Este circuito genera señales rocas en armónicos que se pueden utilizar para la prueba de radios de onda media. Las señales son irradiadas por una bobina común de ondas medias o formada por 80 espiras de hilo 30 o 28 en un bastón de ferrita. Una pequeña antena puede usarse como se indica en el diagrama. La alimentación se realiza por dos pilas pequeñas.




