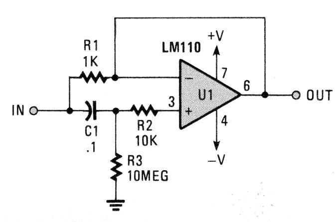
Este circuito simula el efecto de una inductancia. Se pueden utilizar amplificadores operacionales equivalentes y la fuente de alimentación debe ser simétrica. El circuito es de una Poptronics de la década de los 90.

 

Inductor Simulado
Inductor Simulado | Haga click en la imagen para ampliar |