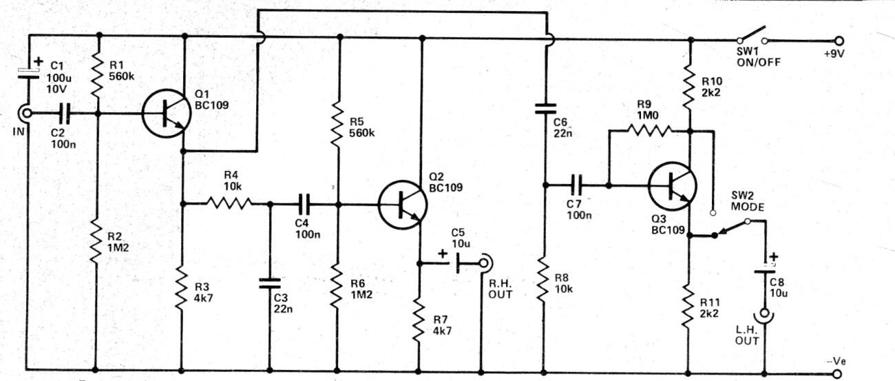
Lo que este circuito hace es separar una señal de audio monofónico en dos bandas de frecuencias de modo que, aplicados a un amplificador estéreo dé la sensación de separación de los canales. El circuito se encuentra en una documentación de 1990 y se puede montar con transistores BC548.




