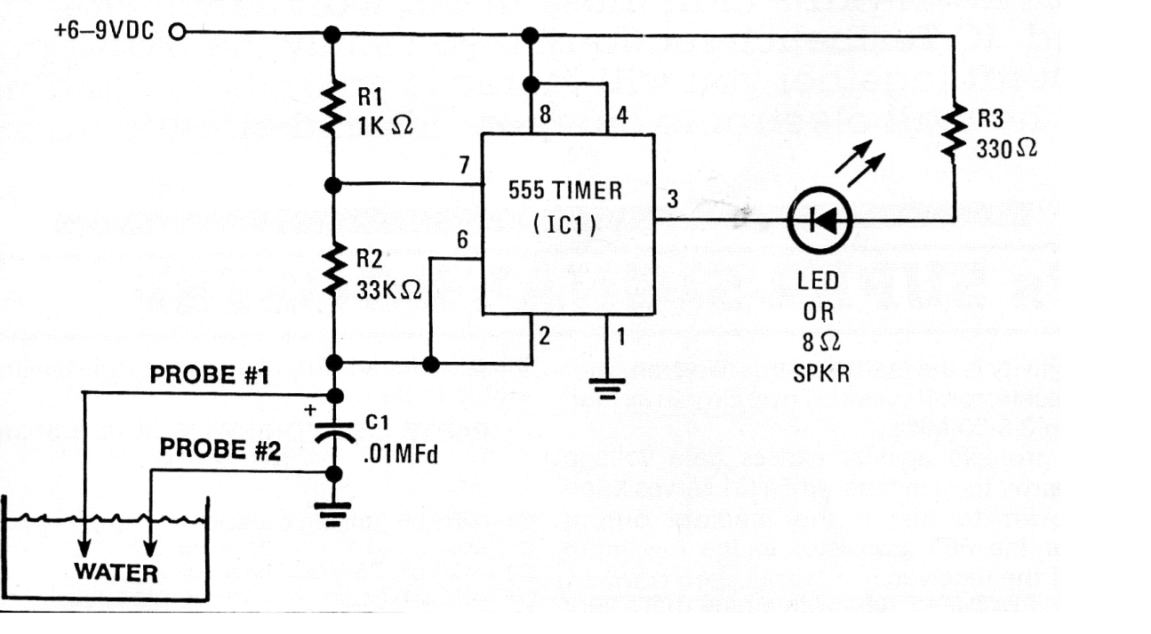
Este circuito fue obtenido en un Electronics Handbook de 1991. La publicación ya no existe, pero este circuito todavía es útil pudiendo generar detectar cuando el agua alcanza el sensor, lo que será visualizado en la forma de destellos del LED. El circuito debe ser alimentado por fuente con transformador y el valor de C1 puede ser cambiado conforme la frecuencia de los guiños deseados.




