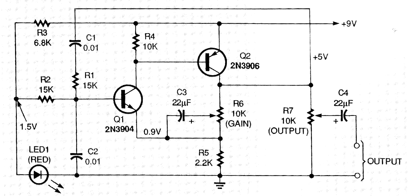
Este circuito salió en una Popular Electronics de diciembre de 1995. Se trata de una configuración en puente de Wien que genera una señal senoidal de 1 kHz. Otras frecuencias pueden ser generadas con el cambio de C1 y C2. Ver en la sección de matemáticas para la electrónica cómo calcular los componentes de este circuito.




