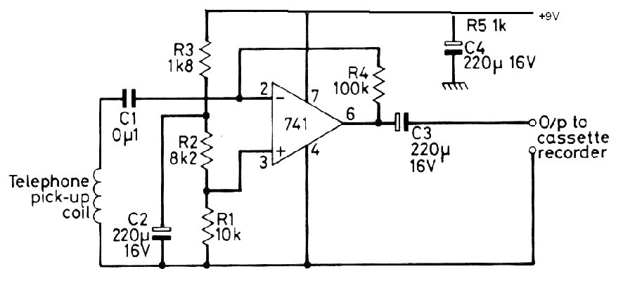
Este circuito fue obtenido en una revista inglesa de 1982. Se trata de un circuito que capta las señales de un equipo de audio directamente colocando una bobina su parte trasera del altavoz de modo que podamos transferir las señales a un medio de grabación . Se trata de un circuito ideal para grabar sonidos de medios que no tienen salida de audio como viejos televisores e incluso aparatos de sonido. La alimentación es de 9 V y la bobina puede ser el devanado primario de un pequeño transformador del cual se haya retirado el núcleo.




