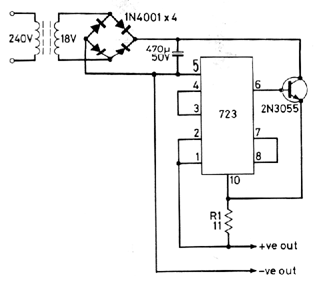
Este circuito se obtuvo en una revista inglesa de 1982. Se trata de un circuito que proporciona una corriente constante para la carga de las baterías. El transistor debe estar dotado de radiador de calor y la corriente ajustada por el resistor, según la fórmula R = Ohms/mA, en el caso.




