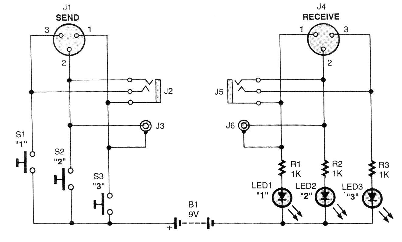
Este circuito es de un Poptronics de abril de 2000. La revista ya no existe, pero el circuito puede ser montado con facilidad, pues todos los componentes son comunes. El circuito prueba cables estéreo, verificando si hay alguna interrupción en uno de los tres conductores. El circuito puede ser alimentado por batería de 9 V o 4 pilas (6 V).




