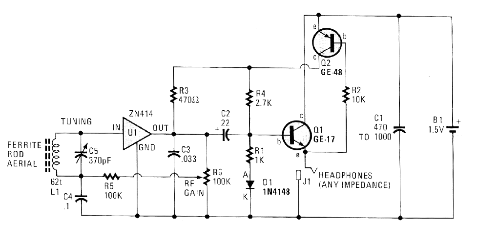
Este circuito se obtuvo en un Hands On Electronics, revista americana de enero de 1987. El ZN414 no es muy fácil de obtener, pero si el reproductor consigue puede montar un excelente radón de ondas medias para escuchar en auricular. La alimentación es hecha por una pila y la bobina consta de 80 a 100 vueltas de hilo de 32 a 28 en un bastón de ferrita. El capacitor de sintonía se puede obtener en un radito transistor fuera de uso. Este circuito tiene un paso amplificador que puede ser elaborado con los transistores BC558 y BC548.




