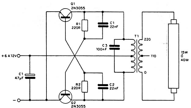
Este inversor opera con tensiones entre 6 y 12V y puede encender una lámpara da fluorescente chica, aún del tipo de consumo. El transformador T1 tiene un primario de 110 V y un secundario de 6 ó 12V según Ia tensión de alimentación, y corriente de 100 a 500 mA. Los capacitores C1, C2, y CB deben alterarse eventualmente para que correspondan las características del circuito a las del transformador. Los transistores deben montarse con disipadores de calor.




