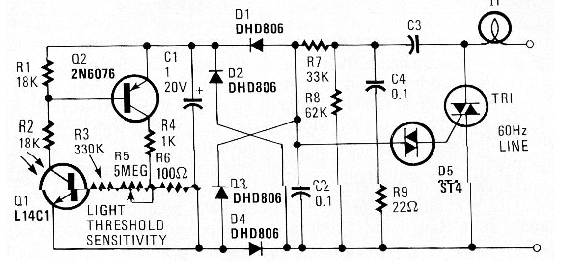
Este circuito fue obtenido en un Hands On Electronics, revista americana de enero de 1987. La finalidad de este circuito es encender una lámpara incandescente cuando se oscurece. El transistor puede ser el BC558 y el foto-transistor de cualquier tipo. El Triac puede ser cualquiera de la serie TIC con corriente de acuerdo con la lámpara controlada. El diac puede ser de cualquier tipo y los diodos 1N4004. No utilice el circuito con lámparas fluorescentes o electrónicas.




