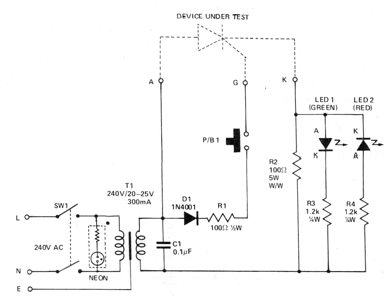
Este circuito fue encontrado en una revista inglesa de 1977. El circuito se puede utilizar para probar SCRs de la serie 106, que son los más comunes y más sensibles. La indicación es dada por el encendido de uno de los LED. Los dos LEDs encendidos indican que el SCR está en corto.




