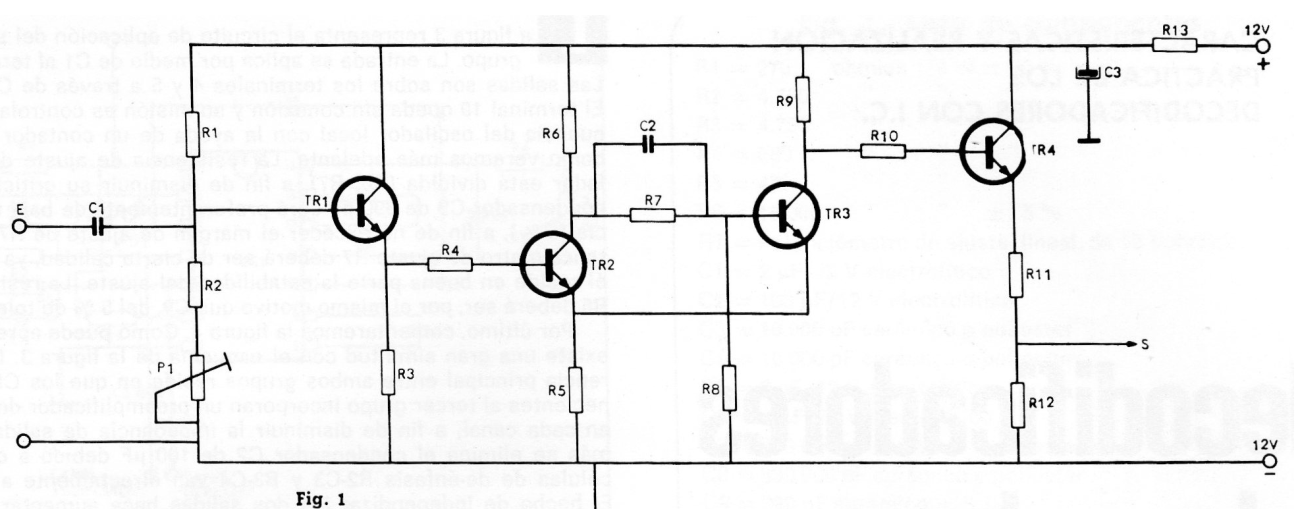
Este circuito fue encontrado en una Revista Española de Electrónica de julio de 1975. La revista ya no existe, pero el circuito puede ser montado con transistores BC549. La frecuencia depende del signo senoidal aplicado a la entrada y la salida tiene una intensidad de aproximadamente 5 V, lo que hace que este circuito sea compatible con la lógica TTL.





