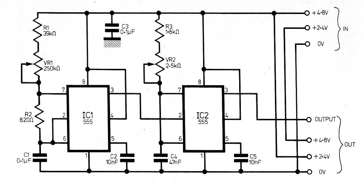
Este circuito salió en una revista inglesa de 1978, pero puede ser montado con facilidad, pues utiliza circuitos integrados 555. Sirve para probar siervos del tipo usado en control remoto.
Este tipo de oscilador utiliza una configuración fuera de lo común y puede ser utilizado como base...
Este circuito, bastante simple por señal, sirve para la prueba de capacitores de todo tipo en el...
La finalidad del circuito de la figura 1 es alimentar una carga con una corriente constante hasta 2 A a...