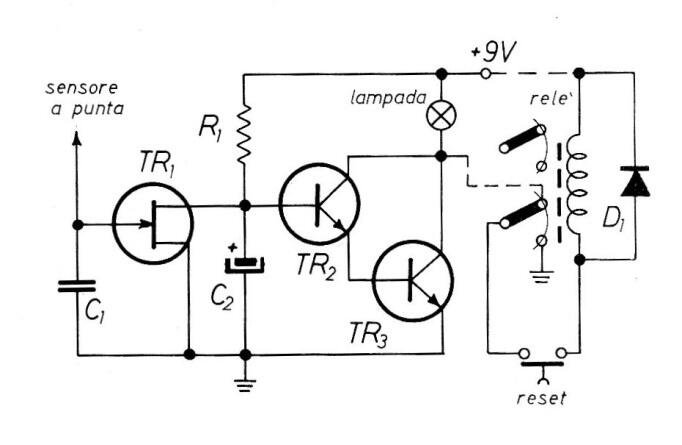
Este circuito fue encontrado en una revista italiana de Flash de septiembre de 1987. Se trata de un detector electrostático que hace de una pequeña antena externa como sensor. Esta antena detecta cargas del aire en el acercamiento de una tormenta con rayos accionando el relé. Alimente el circuito con pilas o batería, por el peligro que representa de descargas. TR1 puede ser un BF245 y los demás transistores BC548. El relé es de acuerdo con la alimentación, R1 de 5,6k. C1 es de 75 pF y C2 de 22 uF.




