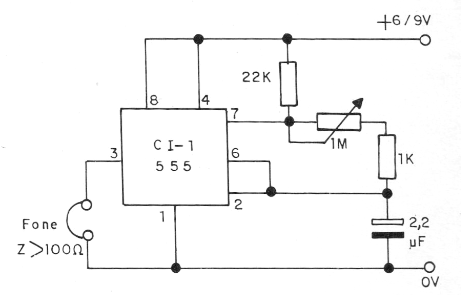
Este simple metrónomo produce pulsos de intervalos en un auricular de al menos 100 ohms de impedancia o cristal, sirviendo para marcar el ritmo de caminatas o ejercicios físicos. La alimentación puede ser hecha por pilas o batería y el consumo es muy bajo. El ajuste de la frecuencia se realiza en el potenciómetro.




