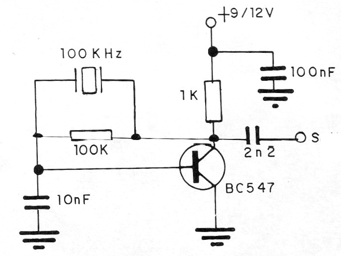
El circuito presentado produce una señal de frecuencia fija determinada por el cristal de 100 kHz. El circuito sirve de referencia para ajustes de instrumentos tales como osciloscopios y frecuencímetros. La alimentación debe ser hecha con tensiones de 9 a 12 V, proveniente de batería o fuente, ya que el consumo es bajo. Los capacitores deben ser cerámicos.




