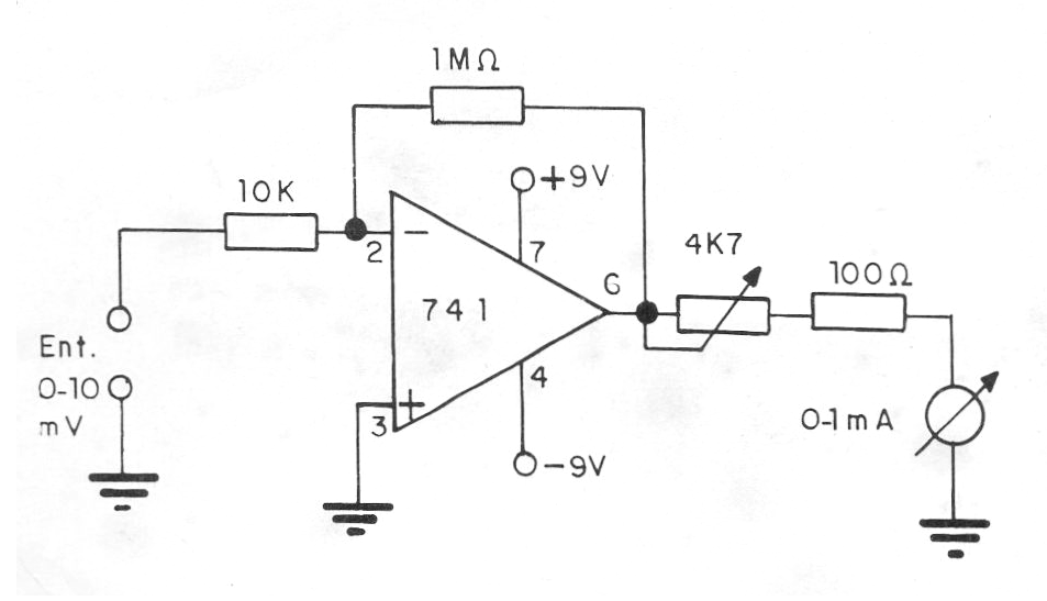
Utilizando un amplificador operacional 741 este circuito amplifica tensiones muy bajas posibilitando su medición en un multímetro común o miliamperímetro de 0 a 1 mA. La banda obtenida es de 0 a 10 mV y la fuente de alimentación debe ser simétrica, formada por dos baterías de 9 V. En realidad el circuito funcionará con fuentes simétricas de 6 a 12 V. Otros operacionales pueden ser utilizados y la resistencia de entrada es elevada.




