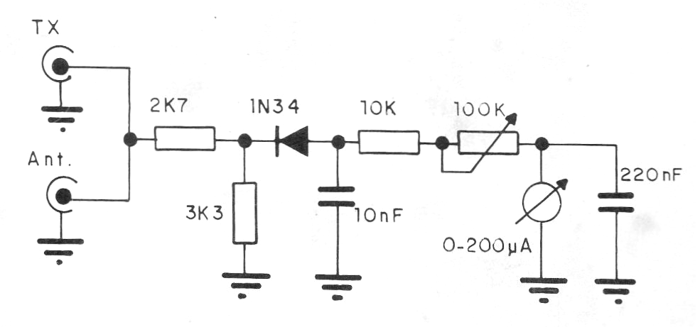
Con este circuito es posible medir la potencia de transmisores de radioaficionados hasta unos 30 MHz. El circuito utiliza una derivación de la línea de transmisión y no necesita alimentación. El instrumento es un microamperímetro con el ajuste de la escala hecho en el trimpot. El diodo es de germanio, pudiendo ser utilizados equivalentes.




