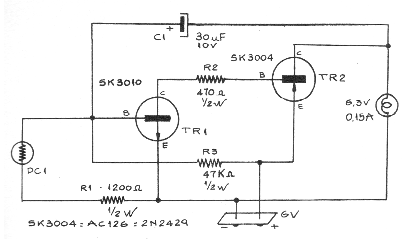
Este circuito hace que una lámpara incandescente parpadee en frecuencia determinada por el capacitor, cuyo valor puede quedar entre 20 (22 uF) y 220 uF. Los transistores admite equivalentes más modernos, pues obtuve este circuito de una publicación argentina de la década de 1970. Podemos usar el BC548 para el NPN y el BD136 para el PNP. La alimentación es de 6 V, pero podemos usar 12 V si la lámpara es cambiada por una de 12 V.




