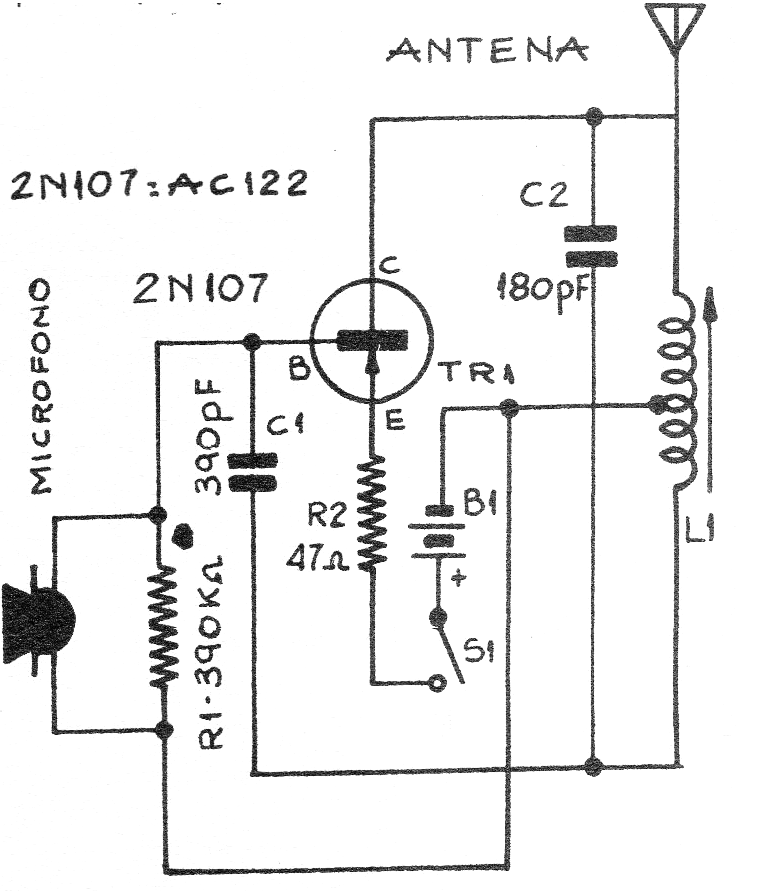
Este pequeño transmisor AM de corto alcance fue obtenido en una publicación argentina de los años 1970. El circuito tiene algunos metros de alcance, con una pequeña antena telescópica y el micrófono debe ser piezoeléctrico (cerámico). La bobina está formada por 40 + 40 espiras de hilo 28 en un bastón de ferrita y se puede utilizar un transistor BC558 en lugar del original. La alimentación debe realizarse con 6 o 9 V y la sintonía se realiza desplazando el núcleo de ferrita dentro de la bobina, que debe ser enrollada en un tubo de cartón.




