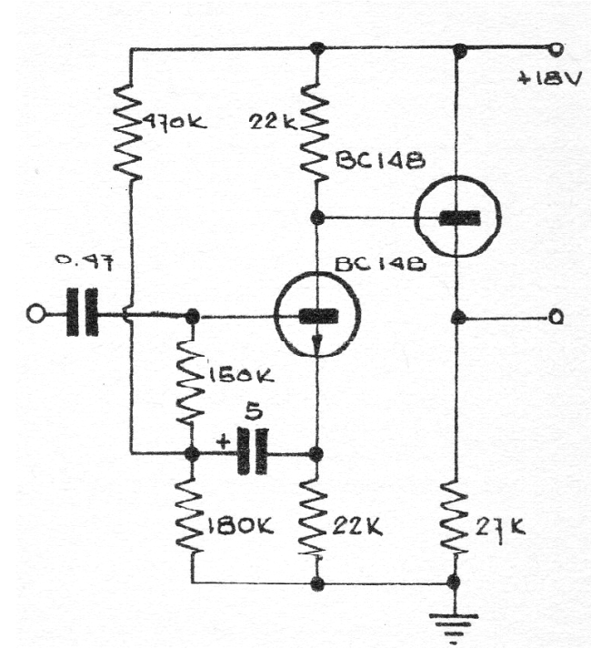
El preamplificador que describimos fue obtenido en una antigua publicación de los años 1970 y puede ser montado con transistores BC548. Si bien utiliza una tensión de alimentación elevada, su consumo es muy bajo, pudiendo emplearse dos baterías de 9 V o la tensión obtenida del propio amplificador con el que funciona. El circuito opera con micrófonos de baja y alta impedancia y la impedancia de salida baja.




