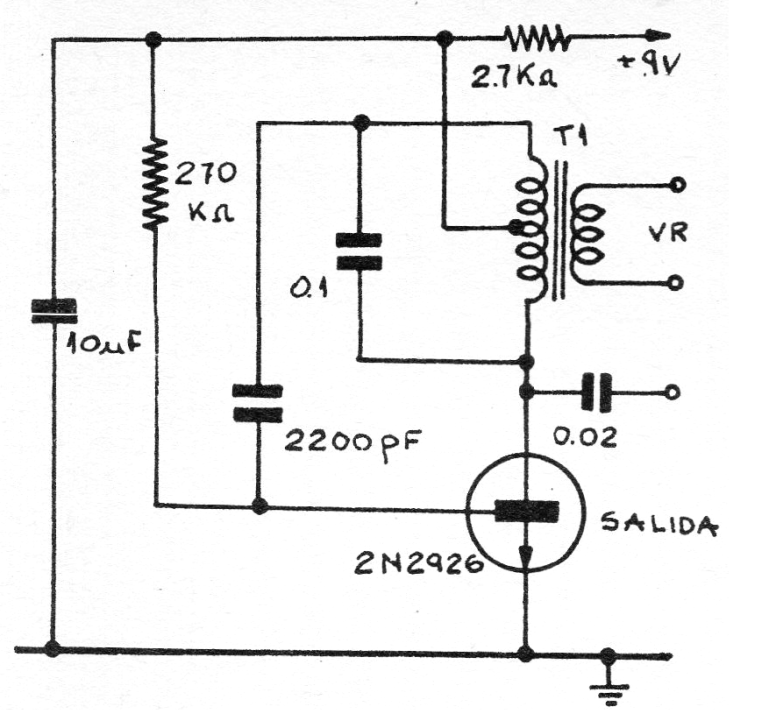
Este Oscilador Hartley fue encontrado en una publicación argentina de los años 1970 y hace uso de un pequeño transformador de salida del tipo encontrado en equipos transistorizados, tales como radios y grabadores de cassette. El transistor puede ser el BC548 y la precisión de la frecuencia generada depende de los componentes. La señal es aproximadamente senoidal. La alimentación se puede realizar con tensiones de 6 a 9 V.




