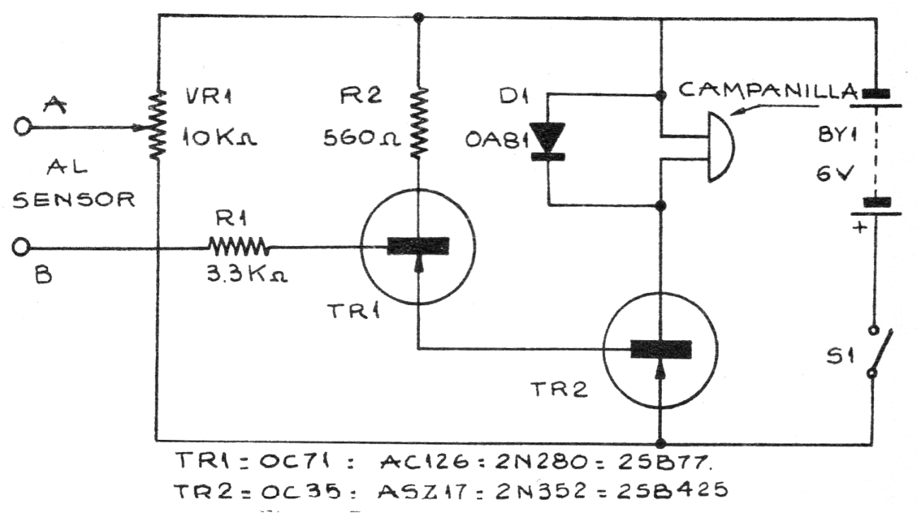
Este circuito fue encontrado en una publicación antigua de la argentina, pero puede ser montado con facilidad utilizando transistores BC558 y un bocadillo de 6 V o relé. El sensor consiste en pantallas de alambre teniendo entre ellas un tejido, que al ser humedecido, conduce la corriente. El circuito también puede ser alimentado por 12 V si relé o bocina para esta tensión se utiliza. El diodo puede ser el 1N4148.




