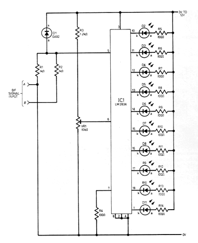
He encontrado este circuito en una publicación inglesa de 1984. El circuito sigue siendo actual, ya que utiliza el LM3934, circuito integrado bastante que todavía se puede encontrar en el mercado de componentes. La alimentación se puede hacer con tensiones de 3 a 12 V y los LED deben ser todos iguales, para una escala uniforme. La señal de entrada es de audio de baja intensidad.




