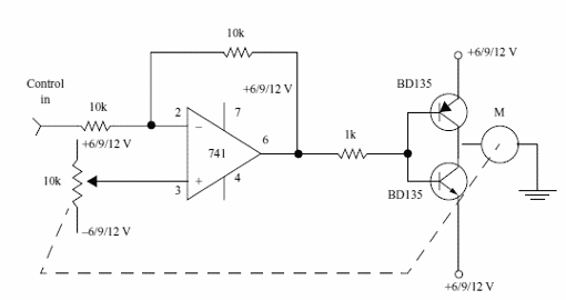
En la figura tenemos el modo de hacer un simple servo con un motor y caja de reducción, teniendo como base un circuito integrado 741. La tensión de control determina la posición del motor. El motor puede tener hasta 500 mA y los transistores deben montarse en radiadores de calor. La fuente debe ser simétrica con tensión de acuerdo con el motor controlado. El circuito se obtuvo en una publicación mía en los Estados Unidos. La tensión de control varía en el rango de las tensiones de alimentación.




