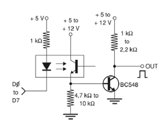
Este control de potencia por el puerto paralelo tiene una salida de hasta 100 mA, pero este valor se puede aumentar con el uso de un controlador. El aislamiento del PC que utiliza el puerto paralelo es la principal característica. La fuente debe ser de 5 a 12 V, según la lógica o etapa de potencia controlada y el acoplador óptico puede ser de cualquier tipo con foto-transistores. El circuito fue obtenido de un artículo mío en una publicación americana.




