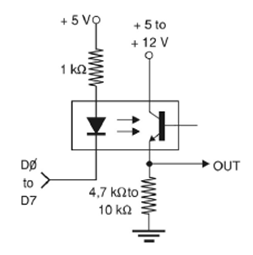
Con este circuito se puede obtener una señal de control para un dispositivo externo desde el puerto paralelo de un PC. El acoplador óptico puede ser de cualquier tipo y la alimentación depende de la lógica a controlar. El circuito fue obtenido de una publicación americana de mi autoría (Newton C. Braga). El valor del resistor de salida depende de la tensión de alimentación, debiendo ser obtenido experimentalmente.




