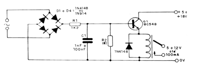
Con este circuito es posible excitar relés de corriente continua a partir de una señal alternada, ya sea de la red de baja tensión (secundaria de un transformador) o de audio. El resistor R1 depende de la tensión de la señal de entrada, siendo de 1k2 para señales hasta 6 V. La corriente máxima del relé es 100 mA y R2 depende de la intensidad de la señal teniendo valores típicamente entre 1k y 22k. El circuito es de una publicación de Newton C. Braga. Para corrientes mayores que 100 mA utilice el BD135 (hasta 500 mA).




