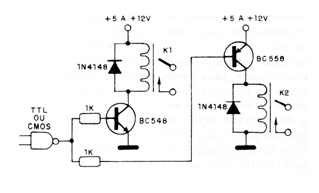
En el circuito de la figura abajo mostramos cómo excitar dos relés de forma complementaria a partir de una salida TTL o CMOS. La tensión de los relés no necesita ser la misma de los circuitos lógicos de excitación. Basta que tengan tierra en común. En estos circuitos cuando un relé cierra en el nivel alto de la salida el otro se cierra en el nivel bajo. Los relés deben tener una corriente de bobina máxima de 100 mA.




