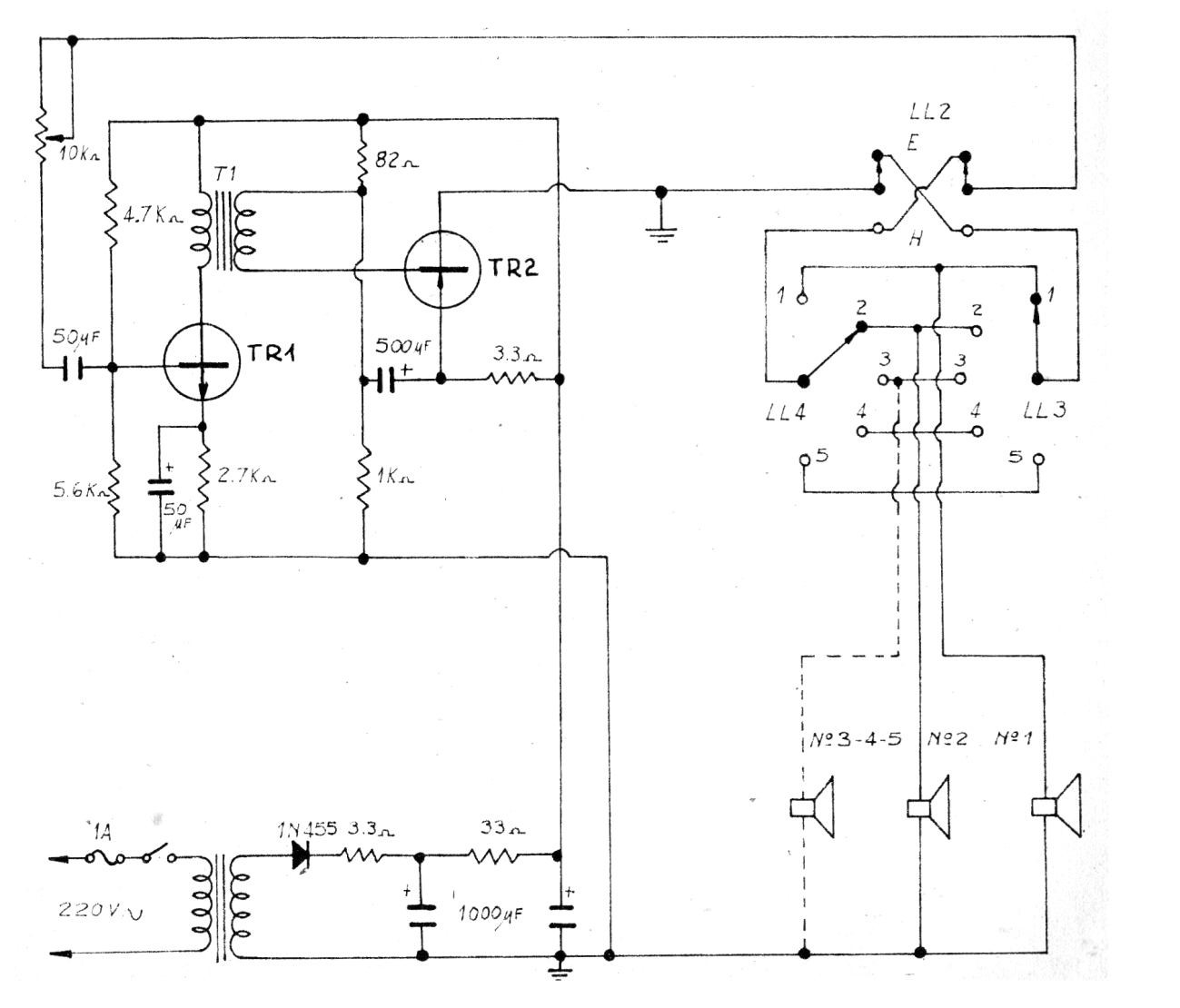
Este circuito fue obtenido en una publicación argentina de los años 1970. Puede todavía ser montado utilizando para TR1 un BD135 y para TR2 un BD136. El transformador puede ser del tipo de salida encontrado en radios transistorizados antiguos. Dependiendo del transformador, pueden ser necesarios cambios en los valores de las resistencias. La fuente tiene un transformador con 6 V x 250 mA y el rectificador puede ser el 1N4002.




