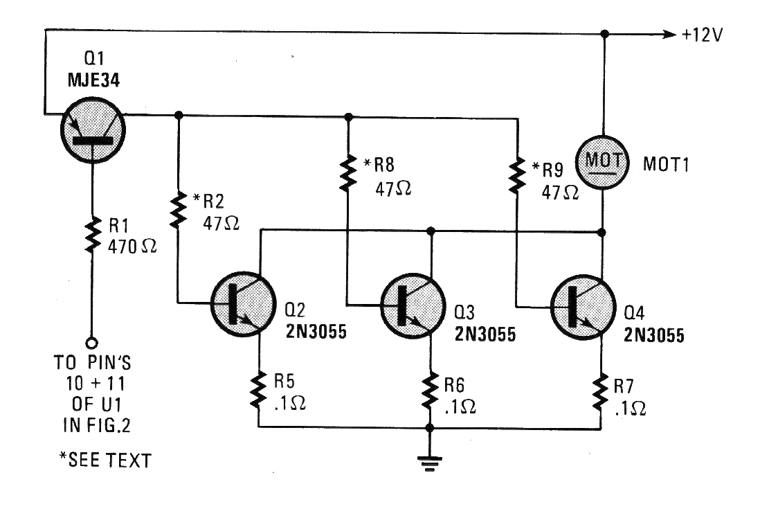
Este circuito se obtuvo en una revista Popular de noviembre de 1991, pero es actual, ya que todos los componentes son comunes. Sólo el MJE34 es que puede ser reemplazado por un TIP32. El transistor Q2 debe estar dotado de radiador y el motor debe tener una corriente máxima de 20 A. La alimentación puede oscilar entre 5 y 12 V. Eventualmente C1 debe cambiarse si el motor tiende a vibrar en ciertas bandas de velocidad. La resistencia R1 se puede cambiar en función de la corriente del motor controlado. La entrada es una señal de control PWM, como por ejemplo el CIR10304S.




