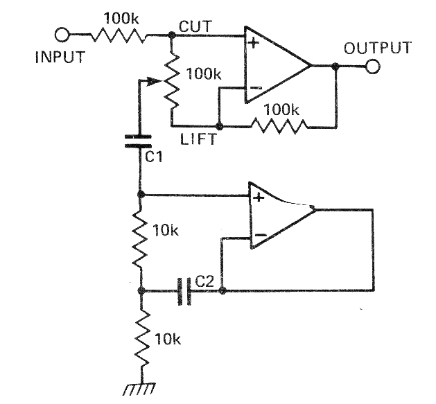
Utilizando dos operativos comunes, como el 741, este circuito sirve de control de medios en un amplificador. La fuente de alimentación debe ser simétrica y el circuito se intercalará entre la fuente de señal y la entrada del amplificador. Los cables de señal deben ser blindados.




