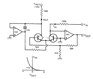
Este circuito cambia la salida en 1 V para cada dB que la tensión de entrada cambia. Así, la tasa de conversión de tensión de este circuito sigue una curva logarítmica, como se muestra en el gráfico junto al diagrama. Los transistores pueden ser los BC548 y los amplificadores operacionales deben ser alimentados por una fuente simétrica de 6 a 12 V. La tensión máxima de salida es dada por la alimentación del circuito.




