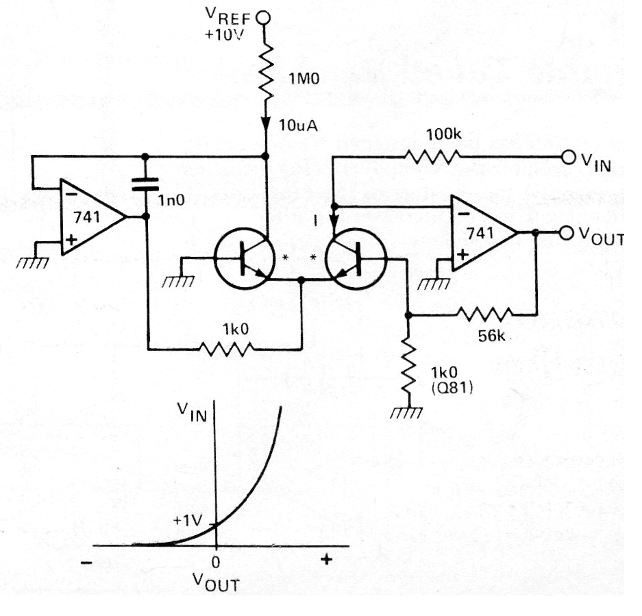
Este circuito cambia la salida en 1 V para cada dB que la tensión de entrada cambia. Así, la tasa de conversión de tensión de este circuito sigue una curva anti-logarítmica, como se muestra en el gráfico junto al diagrama. Los transistores pueden ser los BC548 y los amplificadores operacionales deben ser alimentados por una fuente simétrica de 6 a 12 V. La tensión máxima de salida es dada por la alimentación del circuito.




