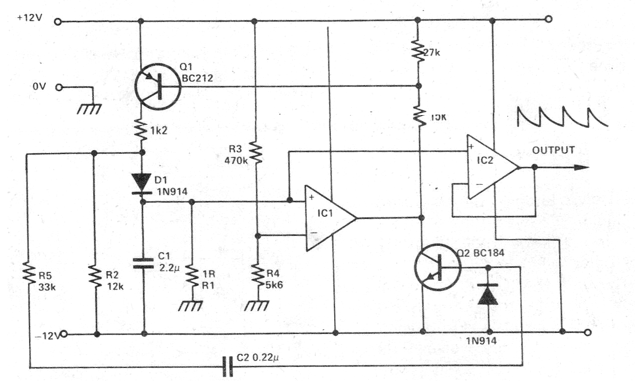
Este circuito genera una señal exponencial cuya frecuencia depende de los capacitores. Los transistores pueden ser el BC558 para TR1 y BC548 para TR2. IC1 es un comparador LM339 e IC2 un amplificador operacional del tipo 741. La fuente de alimentación debe ser simétrica. El circuito fue obtenido en una publicación inglesa de 1976, pero todavía es viable por los componentes usados.




