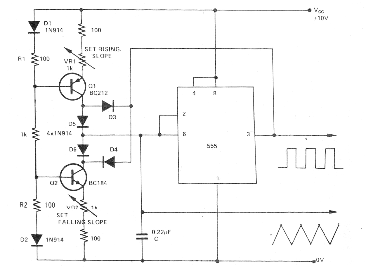
Este circuito genera señales triangulares con el control independiente del tiempo de ascenso y del tiempo de bajada. El circuito se obtuvo en una publicación inglesa de 1976, pero se puede montar fácilmente utilizando el BC558 para el transistor PNP y el BC548 para el NPN. La frecuencia depende de C y de los ajustes, quedando en algunos cientos de kilohertz como máximo. El circuito también tiene una salida de señal rectangular con control de ciclo activo.




