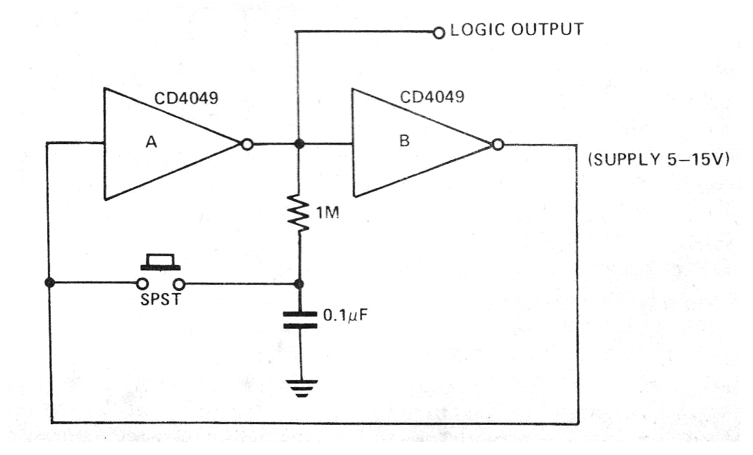
En este circuito la salida cambia de estado a cada toque en el interruptor de presión. El circuito es CMOS pudiendo ser alimentado con tensiones de 5 a 15 V típicamente y la salida necesita ser bufferizada para poder excitar circuitos de mayor potencia. El tiempo de acción es de 100 ms, dado por el valor del capacitor, que puede ser alterado.




